Want more?

Contact us for more information

Connect with one of our Restorative product specialists to learn how our Class II Restoration products can help you provide better procedures and more comfort for your patients.

 

Reducing the Likelihood of Postoperative Sensitivity in Composite Restorations

It's not uncommon for a dental practitioner to have a fully booked schedule for the day, when a patient calls complaining of post-operative sensitivity from their recent Class II composite procedure.  After working the patient into the schedule, diagnosing what initially caused the sensitivity can be stressful and challenging given how technique sensitive these procedures are. 

Understanding the correct technique for placing Class II composite restorations can alleviate some of these unexpected patient phone calls and keep practices running efficiently. 

Below, we will outline the common causes of post operative sensitivity with composite restorations.  We will explore how to minimize the likelihod of it occurring allowing you to focus on your patients and your practice.

 

Common causes of postoperative sensitivity after composite restorations (and how to reduce the likelihood of it occuring)

What causes post-op sensitivity after composite fillings? Quite a few things, actually - placing composite resins is a complex procedure considering the nature of dentin is close to the pulp, and some studies have estimated sensitivity occurs after 10-15% of posterior composite restorations.1

The most common causes of postoperative sensitivity can be narrowed down to:

 

While you can’t change the extent of a carious lesion while treating your patient, you can choose materials and products proven to reduce post-op sensitivity, and then perfect your technique associated with those products. 

 

7 Challenges and Tips for Reducing the Likelihood of Post Op Sensitivity

The following are challenges practitioners report that can lead to postoperative sensitivity in composite restorations as well as tips for prevention in your next procedure. 

Using a high-stress material can result in the material pulling away from the adhesive, leaving unsealed areas of dentin contacting directly with the pulp which leads to typical pain upon biting.2

In order to reduce the risk of sensitivity caused by a material, you should use a low-stress material which minimizes the stresses put on the tooth, like SDR flow+. It is the first bulk fill flowable that self-levels, provides excellent cavity adaptation and significantly lowers shrinkage stress.3

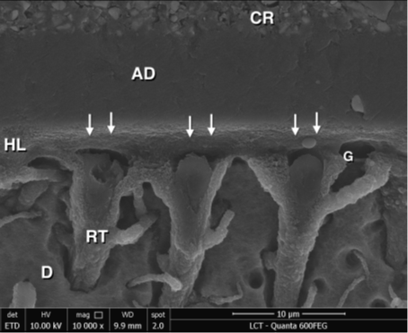
Another cause of sensitivity after composite restorations is desiccating (over-drying) the dentin. Desiccating the dentin removes the moisture you need to correctly suspend the delicate collagen fibers so that the adhesive can infiltrate and hybridize them. If the etched dentin is desiccated (over-dried) by air-drying too long or too strong, the exposed collagen fibers can collapse. The result is a collagen layer which is almost impossible to infiltrate. Likely consequences are a significant decrease in bond strength and postoperative sensitivity.

To avoid desiccation the dentin surface should be kept slightly moist but not wet after rinsing. The results is a collagen layer that is almost impossible to infiltrate, which may cause a decrease in bond strength and postoperative sensitivity.

You may generally understand the theory of how solvents work based on tabletop evaporation (for example, acetone-based vs. alcohol-based), but you need to recognize that each solvent requires a different amount of air thinning to be completely volatilized once set in place. This is a critical step if you want to ensure the material performs to its highest potential and doesn’t cause tooth sensitivity after the restoration.

Familiarize yourself with the instructions of the adhesive used  to determine the end of the evaporation step rather than just stopping after few seconds of air-blowing.

Studies4 have shown that polymerization shrinkage of the resin is one of the top causes of sensitivity post-op, but that’s not the only scenario where incomplete material coverage can lead to post operative sensitivity. It’s important to cover the internal surface completely and uniformly with an adhesive. You’ll know you’ve done this correctly if the surface appears glossy rather than matte.

You may generally understand the theory of how solvents work based on tabletop evaporation (for example, acetone-based vs. alcohol-based), but you need to recognize that each solvent requires a different amount of air thinning to be completely volatilized once set in place. This is a critical step if you want to ensure the material performs to its highest potential and doesn’t cause tooth sensitivity after the restoration.

Familiarize yourself with the instructions of the adhesive used  to determine the end of the evaporation step rather than just stopping after few seconds of air-blowing.

Avoid tooth sensitivity with help from Dentsply Sirona

The success of your practice depends on the happiness and comfort of your patients, as well as your efficiency with procedures. If you want to prevent postoperative or sensitivity after composite restorations, be sure you’re using thoroughly developed and researched materials and using them correctly. Not all restorative materials and products are created equal, and that’s where we come in. Dentsply Sirona’s portfolio of Class II Restorative products helps clinicians provide better procedures and more comfort for their patients, and provides them tools and training to implement solutions for a better practice all around. To get started, contact us now!

Contact us

Find out more about our Restorative products and solutions.

  1. Usman et al, Sensitivity in composite restorations, Pakistan Oral & Dental Journal Vol 34, No. 3 (September 2014); Berkowitz et al, Postoperative Hypersensitivity in Class I Resin-based Composite Restorations, Compend Contin Educ Dent. 2009 ; 30(6): 356–363; Haller, Die Postoperative Hypersensibilität, zm 99, Nr. 6a, 13.03.2009 S. 44-51; Briso et al, Clinical Assessment of Postoperative Sensitivity in Posterior Composite Restorations, Operative Dentistry, 2007, 32-5, 421-426
  2. Nedeljkovic I, Teughels W, De Munck J, Van Meerbeek B, Van Landuyt KL. Is secondary caries with composites a material-based problem? Dent Mater. 2015 Nov;31(11):e247-77. doi: 10.1016/j.dental.2015.09.001. Epub 2015 Sep 26.
  3. Internal data on file. For more information, contact Consumables-Data-Requests@dentsplysirona.com
  4. https://biocoreopen.org/ijdoh/Immediate-Post-operative-Sensitivity-after-Composite-Resin-Restoration-A-Review-of-Treatment-Protocol.php